Редукторы двухступенчатые цилиндрические 1Ц2У-100, 1Ц2У-125, 1Ц2У-160, 1Ц2У-200, 1Ц2У-250

Двухступенчатые цилиндрические редукторы типов 1Ц2У-100, 1Ц2У-125, 1Ц2У-160, 1Ц2У-200, 1Ц2У-250 общемашиностроительного применения предназначены для изменения показателей крутящих моментов и значения частоты вращения. Отличительной особенностью оборудования выступает высокое качество сборки, выходной контроль соответствия каждой единицы товара, и объективный уровень цен. Кроме того, при возникновении сложностей выбора определенного типа редуктора, наши покупатели и заказчики всегда могут рассчитывать на компетентную помощь специалистов-консультантов. От выбранного типоразмера оборудования зависят показатели номинального крутящего момента, допустимая радиальная нагрузка и масса самого агрегата. Важно отметить, что при включении реверсивного режима, допускаемые крутящие моменты на валу должны быть снижены не менее чем на 30%.
Цена: от 13 480 руб.
Базовые условия использования двухступенчатых цилиндрических редукторов:
- Тип нагрузки: постоянная/переменная, одного направления/реверсивная;
- Вал вращается в оба направления без предпочтений (частота < 1800 об/мин.);
- Редуктор адаптирован для работы в длительном режиме и с остановами;
- Характер атмосферы: типы I и II (ГОСТ 15150-69), запыленность среды < 10 мг/куб.м.;
- Климатич. варианты исполнения оборудования: У/Т - категории размещения 1...3, а также исполнения УХЛ/О - категория размещения 4 (ГОСТ 15150-69).
Общее описание:


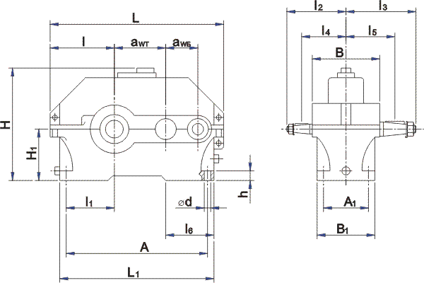
РИС 1. Габаритные и присоединительные размеры

РИС 2. Варианты сборки редукторов типа ЦУ
| Типоразмер редуктора | Межосевые расстояния | L | L1 | l | l1 | l2 | l3 | l4 | l5 | l6 | H не более | |
|---|---|---|---|---|---|---|---|---|---|---|---|---|
| awвых | awвх | не более | ||||||||||
| 1Ц2У-100 | 100 | 80 | 387 | 325 | 136 | 85 | 136 | 165 | 103 | 115 | - | 230 |
| 1Ц2У-125 | 125 | 80 | 450 | 375 | 160 | 106 | 145 | 206 | 112 | 136 | - | 272 |
| 1Ц2У-160 | 160 | 100 | 560 | 475 | 200 | 136 | 170 | 224 | 132 | 155 | 145 | 345 |
| 1Ц2У-200 | 200 | 125 | 690 | 580 | 243 | 165 | 212 | 280 | 160 | 190 | 186 | 425 |
| 1Ц2У-250 | 250 | 160 | 825 | 730 | 290 | 212 | 265 | 335 | 195 | 230 | 224 | 530 |
| h | ||||||||
|---|---|---|---|---|---|---|---|---|
| Типоразмер редуктора | H1 | c чугун. корп. | с алюм. корп. | А | A1 | В | B1 | d |
| 1Ц2У-100 | 112 | — | 20±3 | 290 | 109 | 155 | 145 | 15 |
| 1Ц2У-125 | 132 | — | 22±3 | 335 | 125 | 175 | 165 | 19 |
| 1Ц2У-160 | 170 | 24±4 | 28±4 | 425 | 140 | 206 | 195 | 24 |
| 1Ц2У-200 | 212 | 30±4 | — | 515 | 165 | 243 | 230 | 24 |
| 1Ц2У-250 | 265 | 32±5 | — | 670 | 218 | 290 | 280 | 28 |
ТАБЛ 1. Габаритные и присоединительные размеры
Технические характеристики 1Ц2У100 - 1Ц2У250
| Наименование показателя | Типоразмер редуктора | |||||||
|---|---|---|---|---|---|---|---|---|
| 1Ц2У-100 | 1Ц2У-125 | 1Ц2У-160 | 1Ц2У-200 | 1Ц2У-250 | ||||
| Передаточные числа | Группа 1 | 10; 20; 31,5; 40 | ||||||
| Группа 2 | 8;12,5; 16; 25 | |||||||
| Фактические передаточные числа | Группа 1 | 10,32;20,64; 32,55; 40,32 | 10; 20; 31,5;38,37 | 10,32; 20,64; 32,55; 40,32 | 9,76; 20,02; 31,47; 38,98 | 9,94; 20,67; 31,47; 38,4 | ||
| Группа 2 | 8; 12,8; 16; 25,6 | 7,75; 12,18; 15,48; 24,36 | 8; 12,6; 16,0; 25,2 | 8,09; 12,08; 16,6; 24,83 | 8,33; 12,12; 16; 24,54 | |||
| Номинальный крутящий момент на выходном валу при длительной работе с постоянной нагрузкой Н*м | непрерывный (Н) ПВ=100% | 315 | 630 | 1250 | 2500 | 5000 | ||
| Допускаемый крутящий момент на выходном валу при работе редуктора на повторно-кратковременных режимах. Н*м | тяжелый (Т) ПВ=40% | 315 | 630 | 1600 | 3150 | 6300 | ||
| средний (С) ПВ=25% | 2000 | 4000 | 8000 | |||||
| легкий (Л) ПВ=15% | 2500 | 5000 | 10000 | |||||
| Допускаемая радиальная консольная нагрузка. приложенная в середине посадочной части, Н | входного вала | непрерывный (Н) ПВ=100% | 500 | 750 | 1000 | 2240 | 3150 | |
| тяжелый (Т) ПВ=40% | 1150 | 2500 | 3550 | |||||
| средний (С) ПВ=25% | 1280 | 2800 | 4000 | |||||
| легкий (Л) ПВ=15% | 1450 | 3150 | 4500 | |||||
| выходного вала | непрерывный (Н) ПВ=100% | 4500 | 6300 | 9000 | 12500 | 18000 | ||
| тяжелый (Т) ПВ=40% | 10000 | 14000 | 20000 | |||||
| средний (С) ПВ=25% | 11200 | 16000 | 22400 | |||||
| легкий (Л) ПВ=15% | 12500 | 18000 | 25000 | |||||
| Термическая мощность, кВт | не лимитирует | |||||||
| Коэффициент полезного действия, не менее, % | 97 | |||||||
| Масса редуктора, не более, кг | с чугунным корпусом | — | 95 | 170 | 310 | |||
| с алюминиевым корп. | 21 | 31,5 | 57 | |||||
ТАБЛ 2. Прим.: Редукторы должны изготавливаться по вариантам сборки по ГОСТ 20373-80 согласно таблице по 2 группам
| Типоразмер | Вал | d1 | d2 | d3 | d4 не более |
l1 | l2 | b | h | t |
|---|---|---|---|---|---|---|---|---|---|---|
| 1Ц2У-100 1Ц2У-125 |
быстроходный | 20 | 18,2 | М12х1,5 | 40 | 50 | 36 | 4 | 4 | 2,5 |
| 1Ц2У-160 1Ц2У-200 1Ц2У-250 |
25 30 40 |
22,9 27,1 35,9 |
М16х1,5 М20х1,5 М24х2,0 |
45 50 63 |
60 80 110 |
42 58 82 |
5 10 |
5 8 |
3,0 5,0 |
|
| 1Ц2У-100 1Ц2У-125 1Ц2У-160 1Ц2У-200 1Ц2У-250 |
тихоходный | 35 45 55 70 90 |
32,10 40,90 50,90 64,75 83,50 |
M20x1,5 М30х2,0 М36х3,0 М48х3,0 М64х4,0 |
50 75 88 100 130 |
80 110 110 140 170 |
58 82 82 105 130 |
6 12 14 18 22 |
6 8 9 11 14 |
3,5 5,0 5,5 7,0 9,0 |
Пример условного обозначения при заказе:
Редуктор 1Ц2У-200-20-12К У2 ТУ2-056-243-86:
Цилиндрический двухступенчатый редуктор с межосевым расстоянием тихоходной ступени 200мм, номинальным передаточным числом 20, вариантом сборки 12, коническим концом тихоходного вала К, климатическим исполнением У и категорией размещения 2.