Электродвигатели Siemens типа 1LA7

Электродвигатели Siemens 1LA7 позиционируются как самые популярные на рынке России и всего мирового пространства. Универсальное устройство электродвигателя говорит о возможности их успешного применения для решения большинства приводных задач. Производятся Siemens 1LA7 мощностью от 0,06 до 18,5кВт, габариты от 56 до 160. Электродвигатели этого класса отличаются рядом преимуществ, основными из которых являются: компактные размеры, высокие показатели КПД, максимально объективная подтвержденная на практике эффективность, при работе с оборудованием обеспечивается безопасность обслуживающего персонала. Также стоит отметить возможность индивидуального исполнения, которое будет соответствовать конкретным требованиям заказчика. Интересно знать, что представители этой серии электродвигателей в состоянии покрыть более 95% потребностей различных сфер и отраслей промышленности, что и наблюдается в настоящий момент. Надежность узлов и элементов проверяется на каждом этапе разработки идеи и ее внедрении. Сложно найти более оправданное и рентабельное решение для приводных задач.
Цена: от 3 230 руб.
Многоскоростные электродвигатели
| P1/P2, (кВт) | Габарит | Тип | N1/N2, (об/мин) | I1,(А) | I2,(А) | |
|
|
|
J,( |
M, (кг) | |||
|---|---|---|---|---|---|---|---|---|---|---|---|---|---|---|
| 8/4 пол, 750/1500 об/мин, 50Гц. | ||||||||||||||
| 0.1/0,5 | 80 | 1LA7080-0BB | 680/1375 | 0.57 | 1.28 | 1.4 | 1.7 | 2.3 | 4.1 | 1.7 | 1.8 | 0.0015 | 8.0 | |
| 0.15/0.7 | 80 | 1LA7083-0BB | 685/1380 | 0.77 | 1.76 | 1.4 | 1.8 | 2.4 | 4.2 | 1.7 | 1.8 | 0.0018 | 9.4 | |
| 0.22/1 | 90S | 1LA7090-0BB | 695/1370 | 1.25 | 2.4 | 1.3 | 1.5 | 2.4 | 3.7 | 1.8 | 2.0 | 0.0028 | 12.3 | |
| 0.33/1.5 | 90L | 1LA7096-0BB | 700/1380 | 1.8 | 3.3 | 1.5 | 1.8 | 2.6 | 4.2 | 1.8 | 2.0 | 0.0035 | 15.6 | |
| 0.5/2 | 100L | 1LA7106-0BB | 700/1400 | 2.5 | 4.25 | 1.1 | 1.9 | 3.1 | 5.2 | 1.8 | 2.1 | 0.0048 | 24.0 | |
| 0.65/2.5 | 100L | 1LA7107-0BB | 700/1400 | 2.8 | 5.3 | 1.1 | 1.9 | 3.1 | 5.4 | 1.8 | 2.1 | 0.0058 | 26.0 | |
| 0.9/3.6 | 112M | 1LA7113-0BB | 710/1435 | 4.5 | 8.0 | 1.6 | 2.6 | 3.2 | 6.5 | 2.4 | 2.6 | 0.011 | 31.0 | |
| 1.1/4.7 | 132S | 1LA7130-0BB | 720/1455 | 3.3 | 10.3 | 2.0 | 2.3 | 4.3 | 6.4 | 2.5 | 2.9 | 0.018 | 42.0 | |
| 1.4/6.4 | 132M | 1LA7133-0BB | 720/1455 | 4.4 | 13.3 | 2.2 | 1.9 | 4.6 | 6.8 | 2.7 | 2.5 | 0.024 | 56.0 | |
| 2.2/9.5 | 160M | 1LA7163-0BB | 725/1465 | 6.5 | 19.7 | 1.7 | 2.0 | 4.1 | 7.0 | 2.0 | 2.6 | 0.040 | 77.0 | |
| 3.3/14 | 160L | 1LA7166-0BB | 730/1470 | 9.3 | 28.6 | 2.0 | 2.6 | 4.7 | 8.1 | 2.2 | 3.1 | 0.054 | 93.0 | |
| 6/4 пол, 1000/1500 об/мин, 50Гц. | ||||||||||||||
| 0.12/0.4 | 80 | 1LA7080-1BD | 940/1430 | 0.51 | 1.38 | 1.7 | 1.7 | 2.8 | 4.0 | 1.8 | 2.0 | 0.0015 | 8.0 | |
| 0.18/0.55 | 80 | 1LA7083-1BD | 930/1420 | 0.73 | 1.62 | 1.5 | 1.7 | 2.5 | 4.0 | 1.8 | 2.0 | 0.0018 | 9.4 | |
| 0.29/08 | 90S | 1LA7090-1BD | 950/1430 | 1.05 | 2.1 | 1.5 | 1.5 | 3.4 | 4.3 | 2.0 | 2.0 | 0.0028 | 12.3 | |
| 0.38/1.1 | 90L | 1LA7096-1BD | 955/1430 | 1.35 | 2.65 | 1.8 | 1.8 | 3.8 | 4.9 | 2.3 | 2.3 | 0.0035 | 15.6 | |
| 0.6/1.7 | 100L | 1LA7106-1BD | 950/1420 | 1.75 | 3.8 | 1.8 | 1.8 | 4.2 | 5.2 | 2.2 | 2.2 | 0.0048 | 24.0 | |
| 0.7/2.1 | 100L | 1LA7107-1BD | 950/1420 | 2.30 | 4.55 | 1.6 | 1.9 | 3.9 | 5.2 | 2.0 | 2.2 | 0.0058 | 26.0 | |
| 0.9/3 | 112M | 1LA7113-1BD | 980/1450 | 3.0 | 6.7 | 2.0 | 2.1 | 4.5 | 6.1 | 2.5 | 2.5 | 0.011 | 35.0 | |
| 1.2/3.9 | 132S | 1LA7130-1BD | 975/1460 | 3.5 | 8.4 | 1.9 | 1.7 | 5.1 | 6.1 | 2.5 | 2.2 | 0.018 | 42.0 | |
| 1.7/5.4 | 132M | 1LA7133-1BD | 975/1460 | 4.55 | 11.4 | 2.1 | 1.9 | 5.1 | 6.6 | 2.6 | 2.5 | 0.024 | 56.0 | |
| 2.5/7.2 | 160M | 1LA7163-1BD | 980/1470 | 6.4 | 14.4 | 1.9 | 2.0 | 5.6 | 7.3 | 1.9 | 2.0 | 0.040 | 77.0 | |
| 3.7/12 | 160L | 1LA7166-1BD | 980/1470 | 9.3 | 23.3 | 1.9 | 2.4 | 5.7 | 8.1 | 2.3 | 3.0 | 0.054 | 93.0 | |
| 4/2 пол, 1000/1500 ~ 1500/3000 об/мин, 50Гц. | ||||||||||||||
| 0.1/0.15 | 63 | 1LA7060-0AA | 1330/2650 | 0.41 | 0.51 | 1.8 | 1.8 | 2.7 | 2.9 | 1.8 | 1.8 | 0.0003 | 3.5 | |
| 0.15/0.2 | 63 | 1LA7063-0AA | 1330/2700 | 0.51 | 0.58 | 2.0 | 2.0 | 3.0 | 3.3 | 2.0 | 2.0 | 0.0004 | 4.1 | |
| 0.21/0.28 | 71 | 1LA7070-0AA | 1330/2700 | 0.70 | 1.1 | 1.6 | 1.6 | 3.0 | 3.1 | 1.8 | 1.8 | 0.0006 | 4.8 | |
| 0.3/0.43 | 71 | 1LA7073-0AA | 1330/2770 | 0.89 | 1.3 | 1.8 | 1.8 | 3.7 | 3.8 | 2.0 | 2.0 | 0.0008 | 6.0 | |
| 0.48/0.6 | 80 | 1LA7080-0AA | 1390/2810 | 1.25 | 1.6 | 1.7 | 1.7 | 3.9 | 4.0 | 2.0 | 2.0 | 0.0015 | 8.0 | |
| 0.7/0.85 | 80 | 1LA7083-0AA | 1390/2810 | 1.75 | 2.1 | 1.8 | 1.8 | 4.3 | 4.3 | 2.1 | 2.1 | 0.0018 | 9.4 | |
| 1.1/1.4 | 90S | 1LA7090-0AA | 1390/2810 | 2.7 | 3.6 | 1.6 | 1.8 | 4.2 | 4.3 | 1.9 | 2.0 | 0.0028 | 12.3 | |
| 1.5/1.9 | 90L | 1LA7096-0AA | 1390/2845 | 3.4 | 4.5 | 1.9 | 1.9 | 4.9 | 5.3 | 2.0 | 2.1 | 0.0035 | 12.6 | |
| 2/2.4 | 100L | 1LA7106-0AA | 1400/2850 | 4.3 | 5.7 | 1.8 | 1.8 | 5.0 | 5.5 | 2.0 | 2.1 | 0.0048 | 24.0 | |
| 2.6/3.1 | 100L | 1LA7107-0AA | 1400/2850 | 5.5 | 7.6 | 2.3 | 2.4 | 5.6 | 5.6 | 2.4 | 2.4 | 0.0058 | 26.0 | |
| 3.7/4.4 | 112M | 1LA7113-0AA | 1420/2855 | 8.0 | 10.5 | 2.0 | 2.2 | 5.6 | 5.8 | 2.2 | 2.3 | 0.011 | 35.0 | |
| 4.7/5.9 | 132S | 1LA7130-0AA | 1450/2920 | 9.8 | 12.5 | 1.7 | 1.6 | 6.3 | 6.5 | 2.2 | 2.2 | 0.018 | 42.0 | |
| 6.5/8 | 132M | 1LA7133-0AA | 1450/2930 | 13.6 | 16.7 | 2.0 | 2.1 | 6.9 | 7.5 | 2.5 | 2.6 | 0.024 | 56.0 | |
| 9.3/11.5 | 160M | 1LA7163-0AA | 1455/2930 | 18.3 | 23.4 | 2.0 | 1.8 | 9.7 | 7.4 | 2.6 | 2.4 | 0.040 | 77.0 | |
| 13/17 | 160L | 1LA7166-0AA | 1455/2930 | 25.6 | 32.0 | 2.5 | 2.8 | 7.6 | 8.5 | 3.0 | 3.0 | 0.054 | 93.0 | |
ТАБЛИЦА 1. Многоскоростные электродвигатели

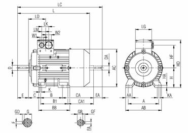
РИС 1. Габаритные и присоединительные размеры электродвигателя 1LA7 с 56 по 90 габарит (IMB3 - лапы)
| Н | A | AA | AB | AC | B | B1 | BB | C | CA | CA1 | HA | HD | HF | K | KA |
|---|---|---|---|---|---|---|---|---|---|---|---|---|---|---|---|
| 56 | 90 | 25 | 110 | 116 | 71 | - | 87 | 36 | 53 | - | 6 | 157 | 77.5 | 5.8 | 9 |
| 63 | 100 | 27 | 120 | 118 | 80 | - | 96 | 40 | 66 | - | 7 | 164 | 77.5 | 7 | 10 |
| 71 | 112 | 30.5 | 132 | 139 | 90 | - | 106 | 45 | 83 | - | 7 | 182 | 87.5 | 7 | 10 |
| 80 | 125 | 30.5 | 150 | 156.5 | 100 | - | 118 | 50 | 94 | - | 8 | 200 | 96.5 | 9.5 | 13.5 |
| 90 | 140 | 30.5 | 165 | 173.6 | 100 | 125 | 143 | 56 | 143 | 118 | 10 | 218 | 104.5 | 10 | 14 |
ТАБЛИЦА 2.
| Н | L | LC | LD | LG | LK | W1 | W2 | D | DA | E | EA | F | FA | G | GB | GD | GF |
|---|---|---|---|---|---|---|---|---|---|---|---|---|---|---|---|---|---|
| 56 | 169 | 200 | 69.5 | 75 | 32 | M16X1.5 | M25X1.5 | 9 | 9 | 20 | 20 | 3 | 3 | 7.2 | 7.2 | 3 | 3 |
| 63 | 202.5 | 232 | 69.5 | 75 | 32 | M16X1.5 | M25X1.5 | 11 | 11 | 23 | 23 | 4 | 4 | 8.5 | 8.5 | 4 | 4 |
| 71 | 240 | 278 | 63.5 | 75 | 32 | M16X1.5 | M25X1.5 | 14 | 14 | 30 | 30 | 5 | 5 | 11 | 11 | 5 | 5 |
| 80 | 273.5 | 324 | 63.5 | 75 | 32 | M16X1.5 | M25X1.5 | 19 | 19 | 40 | 40 | 6 | 6 | 15.5 | 15.5 | 6 | 6 |
| 90 | 331 | 389 | 79 | 75 | 32 | M16X1.5 | M25X1.5 | 24 | 19 | 50 | 40 | 8 | 6 | 20 | 15.5 | 7 | 6 |
ТАБЛИЦА 3.

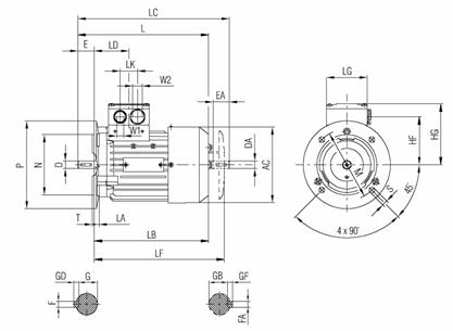
РИС 2. Габаритные и присоединительные размеры электродвигателя 1LA7 с 56 по 90 габарит (IMB5 - фланец)
| Типоразмер | AC | HF | HG | L | LA | LB | LC | LD | LF | LG | LK | M | N | |
|---|---|---|---|---|---|---|---|---|---|---|---|---|---|---|
| 56 | FF100 | 116 | 77.5 | 101 | 169 | 8 | 149 | 200 | 69.5 | - | 75 | 32 | 100 | 80 |
| 63 | FF115 | 118 | 77.5 | 101 | 202 | 8 | 179 | 232 | 69.5 | 208.5 | 75 | 32 | 115 | 95 |
| 71 | FF130 | 139 | 87.5 | 111 | 240 | 9 | 210 | 278 | 63.5 | 239 | 75 | 32 | 130 | 110 |
| 80 | FF165 | 156.5 | 95.5 | 120 | 272.5 | 10 | 232.5 | 324 | 63.5 | 262.5 | 75 | 32 | 165 | 130 |
| 90 | FF165 | 173.6 | 104.5 | 128 | 331 | 10 | 281 | 389 | 79 | 333 | 75 | 32 | 165 | 130 |
ТАБЛИЦА 4.
| Н | P | S | T | W1 | W2 | D | DA | E | EA | F | FA | G | GB | GD | GF |
|---|---|---|---|---|---|---|---|---|---|---|---|---|---|---|---|
| 56 | 120 | 7 | 3 | M16X1.5 | M25X1.5 | 9 | 9 | 20 | 20 | 3 | 3 | 7.2 | 7.2 | 3 | 3 |
| 63 | 140 | 10 | 3 | M16X1.5 | M25X1.5 | 11 | 11 | 23 | 23 | 4 | 4 | 8.5 | 8.5 | 4 | 4 |
| 71 | 160 | 10 | 3.5 | M16X1.5 | M25X1.5 | 14 | 14 | 30 | 30 | 5 | 5 | 11 | 11 | 5 | 5 |
| 80 | 200 | 12 | 3.5 | M16X1.5 | M25X1.5 | 19 | 19 | 40 | 40 | 6 | 6 | 15.5 | 15.5 | 6 | 6 |
| 90 | 200 | 12 | 3.5 | M16X1.5 | M25X1.5 | 24 | 19 | 50 | 40 | 6 | 6 | 20 | 15.5 | 7 | 6 |
ТАБЛИЦА 5.

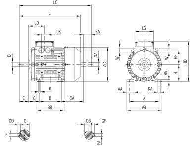
РИС 3. Габаритные и присоединительные размеры электродвигателя 1LA7 с 100 по 160 габарит (IMB3 - лапы)
| Н | A | AA | AB | AC | B | BB | C | CA | HA | HD | HF | K | KA |
|---|---|---|---|---|---|---|---|---|---|---|---|---|---|
| 100L | 160 | 42 | 196 | 196 | 140 | 176 | 63 | 125 | 12 | 235 | 78 | 12 | 16 |
| 112M | 190 | 46 | 226 | 219.5 | 140 | 176 | 70 | 141 | 12 | 260 | 91 | 12 | 16 |
| 132S | 216 | 53 | 256 | 259 | 140 | 180 | 89 | 163 | 15 | 299 | 107 | 12 | 16 |
| 132M | 216 | 53 | 256 | 259 | 178 | 218 | 89 | 125 | 15 | 299 | 107 | 12 | 16 |
| 160M | 254 | 60 | 300 | 314 | 210 | 256 | 108 | 183 | 18 | 357 | 127 | 15 | 19 |
| 160L | 254 | 60 | 300 | 314 | 254 | 300 | 108 | 139 | 18 | 357 | 127 | 15 | 19 |
ТАБЛИЦА 6.
| Н | L | LC | LD | LG | LK | W | D | DA | E | EA | F | FA | G | GB | GD | GF |
|---|---|---|---|---|---|---|---|---|---|---|---|---|---|---|---|---|
| 100L | 372.5 | 438 | 102 | 120 | 42 | 32.3 | 28 | 24 | 60 | 50 | 8 | 8 | 24 | 20 | 7 | 7 |
| 112M | 393 | 461 | 102 | 120 | 42 | 32.3 | 28 | 24 | 60 | 50 | 8 | 8 | 24 | 20 | 7 | 7 |
| 132S | 454 | 552 | 128.5 | 140 | 42 | 32.3 | 38 | 38 | 80 | 80 | 10 | 10 | 33 | 33 | 8 | 8 |
| 132M | 454 | 552 | 128.5 | 140 | 42 | 32.3 | 38 | 38 | 80 | 80 | 10 | 10 | 33 | 33 | 8 | 8 |
| 160M | 588 | 721 | 160.5 | 165 | 54 | 40.3 | 42 | 42 | 110 | 110 | 12 | 12 | 37 | 37 | 8 | 8 |
| 160L | 588 | 721 | 160.5 | 165 | 54 | 40.3 | 42 | 42 | 110 | 110 | 12 | 12 | 37 | 37 | 8 | 8 |
ТАБЛИЦА 7.

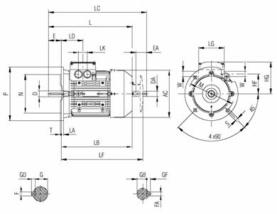
РИС 4. Габаритные и присоединительные размеры электродвигателя 1LA7 с 100 по 160 габарит (IMB5 - фланец)
| Типоразмер | AC | HF | HG | L | LA | LB | LC | LD | LF | LG | LK | M | N | |
|---|---|---|---|---|---|---|---|---|---|---|---|---|---|---|
| 100L | FF215 | 196 | 78 | 135 | 372 | 11 | 312 | 438 | 102 | 363 | 120 | 42 | 215 | 180 |
| 112M | FF215 | 219.5 | 219.5 | 148 | 393 | 11 | 333 | 461 | 102 | 385 | 120 | 42 | 215 | 180 |
| 132M | FF265 | 259 | 259 | 167 | 454 | 12 | 374 | 552 | 128.5 | 426 | 140 | 42 | 265 | 230 |
| 160M | FF265 | 259 | 259 | 167 | 454 | 12 | 374 | 552 | 128.5 | 426 | 140 | 42 | 265 | 230 |
| 160L | FF300 | 314 | 314 | 197 | 588 | 13 | 478 | 721 | 160.5 | 531 | 165 | 54 | 300 | 250 |
| 160M | FF300 | 314 | 314 | 197 | 588 | 13 | 478 | 721 | 160.5 | 531 | 165 | 54 | 300 | 250 |
ТАБЛИЦА 8.
| Н | P | S | T | W | D | DA | E | EA | F | FA | G | GB | GD | GF |
|---|---|---|---|---|---|---|---|---|---|---|---|---|---|---|
| 100L | 250 | 14.5 | 4 | 32.3 | 28 | 24 | 60 | 50 | 8 | 8 | 24 | 20 | 7 | 7 |
| 112M | 250 | 14.5 | 4 | 32.3 | 28 | 24 | 60 | 50 | 8 | 8 | 24 | 20 | 7 | 7 |
| 132S | 300 | 14.5 | 4 | 32.3 | 38 | 38 | 80 | 80 | 10 | 10 | 33 | 33 | 8 | 8 |
| 132M | 300 | 14.5 | 4 | 32.3 | 38 | 38 | 80 | 80 | 10 | 10 | 33 | 33 | 8 | 8 |
| 160M | 350 | 18.5 | 5 | 40.3 | 42 | 42 | 110 | 110 | 12 | 12 | 37 | 37 | 8 | 8 |
| 160L | 350 | 18.5 | 5 | 40.3 | 42 | 42 | 110 | 110 | 12 | 12 | 37 | 37 | 8 | 8 |
ТАБЛИЦА 9.

РИС 5. Размеры для габарита 56-80 (IMB14 - меньший)
| Типоразмер | M | N | P | RA | S | T | |
|---|---|---|---|---|---|---|---|
| 56 | FT65 | 65 | 50 | 80 | 16 | M5 | 2.5 |
| 63 | FT75 | 75 | 60 | 90 | 14 | M5 | 2.5 |
| 71 | FT85 | 85 | 70 | 105 | 16 | M6 | 2.5 |
| 80 | FT100 | 100 | 80 | 120 | 16 | M6 | 3 |
ТАБЛИЦА 10.

РИС 6. Размеры для габарита 56-80 (IMB14 -больший)
| Типоразмер | M | N | P | RA | S | T | |
|---|---|---|---|---|---|---|---|
| 56 | FT85 | 85 | 70 | 105 | 16 | M6 | 2.5 |
| 63 | FT100 | 100 | 80 | 120 | 16 | M6 | 3 |
| 71 | FT115 | 115 | 95 | 140 | 16 | M8 | 3 |
| 80 | FT130 | 130 | 110 | 160 | 16 | M8 | 3,5 |
ТАБЛИЦА 11.

РИС 7. Размеры для габарита 90-100 (IMB14 - меньший)
| Типоразмер | M | N | P | RA | S | T | |
|---|---|---|---|---|---|---|---|
| 90 | FT115 | 115 | 95 | 140 | 21 | M8 | 3 |
| 100 | FT130 | 130 | 110 | 160 | 20 | M8 | 3.5 |
ТАБЛИЦА 12.

РИС 8. Размеры для габарита 90-100 (IMB14 - больший)
| Типоразмер | M | N | P | RA | S | T | |
|---|---|---|---|---|---|---|---|
| 90 | FT130 | 130 | 110 | 160 | 22 | M8 | 3.5 |
| 100 | FT165 | 165 | 130 | 200 | 20 | M10 | 3.5 |
ТАБЛИЦА 13.

РИС 9. Размеры для габарита 112-160 (IMB14 - меньший)
| Типоразмер | M | N | P | RA | S | T | |
|---|---|---|---|---|---|---|---|
| 112 | FT130 | 130 | 110 | 160 | 20 | M8 | 3.5 |
| 132 | FT165 | 165 | 130 | 200 | 24 | M10 | 3.5 |
| 160 | FT215 | 215 | 180 | 250 | 16 | M12 | 4 |
ТАБЛИЦА 14.

РИС 10. Размеры для габарита 112-160 (IMB14 - больший)
| Типоразмер | M | N | P | RA | S | T | |
|---|---|---|---|---|---|---|---|
| 112 | FT165 | 165 | 130 | 200 | 24 | M10 | 3.5 |
| 132 | FT215 | 215 | 180 | 250 | 16 | M12 | 4.0 |
| 160 | FT265 | 265 | 230 | 300 | 12 | M12 | 4.0 |
ТАБЛИЦА 15.